water 16 bar
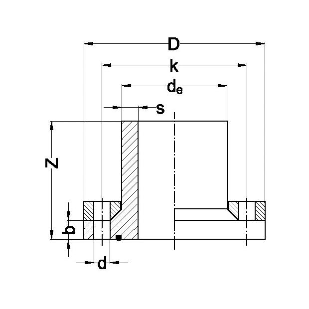
n = aantal bouten.
bar = maximaal toelaatbare bedrijfsdruk.
Voor directe aansluiting van appendages zonder dwarsdoorsnedeverlies en zonder verloop van de nominale maat.
"DIN 2501-PN10" heeft geen betrekking op de belastbaarheid van de flens.
Geen voorraadartikel.
| Artikel | q | de/ | DN | AG | bar | Z | D | k | b | d | n | M | kg | Verkoop eenheid | |
| 470609111 | 1 | 90 | /65 | TR | 10 | 300 | 185 | 145 | 30 | 18 | 4 | M16 | 3,5 | 1 | |
| 470811111 | 1 | 110 | /80 | TR | 10 | 300 | 200 | 160 | 30 | 18 | 8 | M16 | 4,6 | 1 | |
| 471014111 | 1 | 140 | /100 | TR | 10 | 300 | 220 | 180 | 30 | 18 | 8 | M16 | 5,1 | 1 | |
| 471216111 | 1 | 160 | /125 | TR | 10 | 300 | 250 | 210 | 35 | 18 | 8 | M16 | 6,7 | 1 | |
| 471218111 | 1 | 180 | /125 | TR | 10 | 300 | 250 | 210 | 35 | 18 | 8 | M16 | 7 | 1 | |
| 471520111 | 1 | 200 | /150 | TR | 10 | 300 | 285 | 240 | 35 | 23 | 8 | M20 | 8,9 | 1 | |
| 472025111 | 1 | 250 | /200 | TR | 10 | 300 | 340 | 295 | 40 | 23 | 8 | M20 | 13,1 | 1 | |
| 472531111 1 | 1 | 315 | /250 | TR | 10 | 300 | 395 | 350 | 40 | 23 | 12 | M20 | 19,3 | 1 | |
| 473035111 | 1 | 355 | /300 | TR | 10 | 300 | 445 | 400 | 40 | 23 | 12 | M20 | 25 | 1 | |
| 473540111 | 1 | 400 | /350 | TR | 10 | 400 | 505 | 460 | 60 | 23 | 16 | M20 | 34,2 | 1 | |
| 474045111 | 1 | 450 | /400 | TR | 10 | 400 | 565 | 515 | 60 | 27 | 16 | M24 | 44,8 | 1 | |
| 475056111 | 1 | 560 | /500 | TR | 10 | 400 | 670 | 620 | 60 | 27 | 20 | M24 | 66,8 | 1 | |
Industrieterrein 11
5981 NK Panningen
Nederland
077 30 88 650
info.nl@aliaxis.com
077 30 88 650